Installation d'une petite batterie (2017) Ajout panneau solaire (2020)

Avatar du membre
CGh
Messages : 253
Enregistré le : mar. 18 févr. 2014 18:47
Modèle de caravane : Pan Familia 1984 - C5 Tourer x7
prénom : Ghérard
Localisation : Côte d'Or (21)
Contact :

Re: Installation d'une petite batterie

Message non lu par CGh »

Bonsoir,
Voici un petit lien qui m'a aidé à calibrer mon installation (batterie, panneau solaire, éclairage led, air pulsé du chauffage et convertisseur puresinus) il y a quelques années :
http://www.equiper-mon-bateau.com/calcu ... terie.html
Avatar du membre
grego77
Messages : 596
Enregistré le : mer. 18 mai 2016 15:33
Modèle de caravane : Triton 96
prénom : Gregory
Localisation : Seine et marne
Contact :

Re: Installation d'une petite batterie

Message non lu par grego77 »

Je pense avoir trouvé mon bonheur avec ca: https://www.ase-energy.com/kit-panneau- ... KIT30W.cfm juste pour 2 pompes à eau, et éventuellement un petit éclairage Led le soir pour se coucher, ca devrait le faire...Je cable une prise 13 broches là dessus, on met la batterie dans un petit boitier étanche, et roule ma poule :-)
Avatar du membre
LANDERIBA
Messages : 20716
Enregistré le : sam. 1 nov. 2008 13:37
Modèle de caravane : Familia de 1992 + Defender 110 de 1998. Land 109 de 1972.
prénom : J-Pierre + Marie-Thé
Localisation : Centre Bretagne Pontivy Morbihan
Contact :

Re: Installation d'une petite batterie

Message non lu par LANDERIBA »

:hello:

Pourquoi pas, la mienne fait 28 Ah et j'ai 20 W de panneaux, mais pas besoin de boitier étanche, c'est une batterie AGM SANS liquide, tu peux même la poser sur un coté ou un bout si cela t'arrange dans ton installation.
Pour info, pris sur le net:

Tout savoir sur les batteries AGM ou "Absorbed Glass Mat batteries"

Ce type de batterie scellée ou étanche utilise la technologie "Absorbed Glass Mat Batteries", dont le principe consiste à employer une fine feuille de fibre de Boron-Silicate (buvards en fibre de verre) entre les plaques de plomb contenues dans la batterie. Cette feuille, imbibée d’électrolyte (70% d’eau & 30 % d’acide), entre en contact avec les plaques.

Ces batteries possèdent les mêmes qualités que les batteries au gel et sont, de plus, plus tolérantes aux erreurs de manipulations.

Les batteries AGM possèdent de nombreux avantages en comparaison avec les batteries acide-plomb conventionnelles et les batteries au gel :

Une meilleure capacité - Ces batteries permettent, pour une même capacité, d'obtenir des intensités maximales (CCA) identiques ou supérieures à celles des batteries de démarrage classiques (en effet, les ions circulent mieux dans ce type d'électrolyte).
Un cycle de charge plus rapide - La durée du cycle de charge est globalement réduite. A capacité égale, l'intensité de charge et de décharge est plus importante qu’avec une batterie de servitude liquide. En effet, le fait que les électrodes soient comprimées permet d'assurer une résistance mécanique naturelle des plaques et évite ainsi d’avoir à surdimensionner les électrodes. De plus, l’ajout d’additifs au plomb étant inférieur à une batterie classique, le phénomène de corrosion (électrode plus pure) et la génération de gaz sont fortement réduits.
Un transport plus facile - L’électrolyte est imbibé dans la fibre et ne peut, par conséquent, couler, même en cas de bris du boîtier de la batterie. Le transport est beaucoup plus aisé et sans danger. Ces batteries peuvent être placées dans n’importe quelle position (étant donné qu’elles ne peuvent pas couler)
Un résistance au gel et au froid - Ne contenant pas de liquide, les batteries AGM sont très peu sensibles aux effets dommageables du gel.
Un stockage plus aisé - Les batteries AGM sont de type "recombinant". Cela signifie que l’oxygène et l’hydrogène se lient et se délient à l’intérieur de la batterie sans aucun dégagement gazeux à l’extérieur. La phase gazeuse, lors de la charge de la batterie, transfert l’oxygène vers les plaques négatives pour la transformer en eau, ce qui évite toute diminution ou perte d’eau (efficacité supérieure à 99% rendant négligeable la perte d’eau).
Un stockage sans entretien et une auto décharge quasi nulle - Les batteries AGM ont un taux d’autodécharge très faible, de l’ordre de 1% à 3% par mois. Ce taux, particulièrement faible, permet de les entreposer durant de longues périodes sans avoir besoin de les recharger de façon fréquentes (comme le nécessitent les batteries standard).
Une compatibilité totale avec tous types d’installation - Le voltage de charge des batteries AGM est exactement le même que celui des batteries acide-plomb conventionnelles. Aucun ajustement particulier n’est à prévoir, quelque soit le type de régulateur utilisé lors de la charge (chargeur, alternateur, panneau solaire, éolienne, etc.).
Une grande souplesse d’utilisation - La résistance interne des batteries AGM est extrêmement faible. Ces batteries dégagent très peu de chaleur interne lors des cycles de charge ou de décharge. Cette caractéristique permet une grande souplesse des taux de charge et de décharge
Des normes de sécurité sans concession - Le taux d’émission d’hydrogène, en cas de forte surcharge (régulateur défectueux ou inexistant) reste inférieur à 4%. Ce taux correspond aux normes sévères imposées dans l’aviation et nécessaires dans le cas d’un usage en espace clos.
Une résistance physique exceptionnelle - La résistance aux chocs et aux vibrations est nettement supérieure aux batteries conventionnelles car les plaques des batteries AGM sont très étroitement comprimées et solidement fixées par le haut et le bas dans la cellule.


JP :happy1:
BZH : Bienvenue en Zone Humide Image
Vieillir, c'est la seule façon de vivre longtemps............
Avatar du membre
grego77
Messages : 596
Enregistré le : mer. 18 mai 2016 15:33
Modèle de caravane : Triton 96
prénom : Gregory
Localisation : Seine et marne
Contact :

Re: Installation d'une petite batterie

Message non lu par grego77 »

Oui je disais un boitier étanche, plutôt pour dire que je l'installerais dans une petite boite, avec le régulateur fixé dessus, et le branchement de ma prise 13 broches. Histoire d'avoir un truc propre.
Avatar du membre
LANDERIBA
Messages : 20716
Enregistré le : sam. 1 nov. 2008 13:37
Modèle de caravane : Familia de 1992 + Defender 110 de 1998. Land 109 de 1972.
prénom : J-Pierre + Marie-Thé
Localisation : Centre Bretagne Pontivy Morbihan
Contact :

Re: Installation d'une petite batterie

Message non lu par LANDERIBA »

:hello:

Ta boite ne sert à rien, c'est la batterie qu'il faut fixer solidement, (aucun écoulement possible), soit par le haut avec une sangle métal ou textile, soit par le bas si ta batterie à des "pieds".

Fixée par un feuillard en acier galva vissé dans le plancher en forme d'oméga. En appui le long de la cloison du frigo, au plus près de la roue, dans coffre sous le lit (à gauche passage de roue gris).
Capteur et sce d'eau 017red.jpg
Capteur et sce d'eau 017red.jpg (65.69 Kio) Vu 23486 fois
Capteur et sce d'eau 051red.jpg
Capteur et sce d'eau 051red.jpg (50.96 Kio) Vu 23485 fois
JP :happy1:
BZH : Bienvenue en Zone Humide Image
Vieillir, c'est la seule façon de vivre longtemps............
Avatar du membre
maTTaw
Messages : 371
Enregistré le : mar. 1 sept. 2015 21:51
Modèle de caravane : Touring Forever Young 310 (2009)
prénom : Mathieu
Localisation : Nantes
Contact :

Re: Installation d'une petite batterie (2017) Ajout panneau solaire (2020)

Message non lu par maTTaw »

Bonjour,

Voici 3 ans que j'ai installé une batterie dans l'Eriba, ça fonctionne très bien et ça suffit pour nos faibles besoins pendant quelques jours.

Au bout de 2 ans la batterie a commencé à moins bien tenir la charge, 2 causes possible selon moi :
  • Je la décharge trop profondément quand je l'utilise,
  • Le "mainteneur de charge" que j'utilisais n'est pas assez évolué, il ne charge pas correctement la batterie sur le long terme.

J'ai donc remplacé la batterie l'an dernier par le même modèle et j'ai changé le chargeur. j'ai pris cette fois un CTEK MXS 3.8.

2020 et la crise sanitaire que l'on connaît, on envisage plus d'autonomie pour cet été en essayant de maximiser le camping sauvage dans des coins perdus.

J'ai donc prévu d'ajouter un panneau solaire et son régulateur à mon "installation". J'ai choisi ce kit après mûre réflexion et calculs :hehe:

L'avantage de ce régulateur MPPT est sa connexion Bluetooth à une application smartphone qui permet de suivre avec précision la consommation et la production d'énergie chaque jour. :langue3:

Image

J'ai prévu de l'installer derrière le toit relevable de notre 310. Le panneau solaire viendra remplacer le chapeau d'aération qui se trouve sur le toit. J'en profiterais pour faire passer les câbles par cette aération, ça m'évitera de percer le toit.

La suite quand j'aurais reçu ma commande. :)
Image
Avatar du membre
vince41
Messages : 587
Enregistré le : lun. 3 avr. 2017 22:17
Modèle de caravane : Jeep Wrangler TJ (98) et sa Puck de 1978 ;o) + Renegade DH
prénom : Vincent & Michèle
Localisation : Sologne (41)
Contact :

Re: Installation d'une petite batterie (2017) Ajout panneau solaire (2020)

Message non lu par vince41 »

SmartSolar, très bon choix ... j'ai le même ;)

Image
Suite à un malencontreux incident de route, restauration complète de Miss Puck terminé en 2023 ;)

Image Vince, Jeeper-Eribiste
Avatar du membre
LANDERIBA
Messages : 20716
Enregistré le : sam. 1 nov. 2008 13:37
Modèle de caravane : Familia de 1992 + Defender 110 de 1998. Land 109 de 1972.
prénom : J-Pierre + Marie-Thé
Localisation : Centre Bretagne Pontivy Morbihan
Contact :

Re: Installation d'une petite batterie (2017) Ajout panneau solaire (2020)

Message non lu par LANDERIBA »

maTTaw a écrit : jeu. 14 mai 2020 11:23 Bonjour,

Voici 3 ans que j'ai installé une batterie dans l'Eriba, ça fonctionne très bien et ça suffit pour nos faibles besoins pendant quelques jours.

Au bout de 2 ans la batterie a commencé à moins bien tenir la charge, 2 causes possible selon moi :
  • Je la décharge trop profondément quand je l'utilise,
  • Le "mainteneur de charge" que j'utilisais n'est pas assez évolué, il ne charge pas correctement la batterie sur le long terme.
J'ai installé une batterie AGM 28 Ah en mars 2010 dans la : eriba : pour les lumières, la pompe et l'ampli TV. (voir Landeriba dans ses œuvres)
Elle y est toujours et fonctionne parfaitement (j'touche du bois), une petite recharge pendant l'hivernage (chargeur Lidl) et le reste du temps capteur 20 w sur le toit...

JP :happy1:
BZH : Bienvenue en Zone Humide Image
Vieillir, c'est la seule façon de vivre longtemps............
Avatar du membre
maTTaw
Messages : 371
Enregistré le : mar. 1 sept. 2015 21:51
Modèle de caravane : Touring Forever Young 310 (2009)
prénom : Mathieu
Localisation : Nantes
Contact :

Re: Installation d'une petite batterie (2017) Ajout panneau solaire (2020)

Message non lu par maTTaw »

Bonjour,

@Vince41, tant mieux, ça me conforte dans mon choix :super:
@Landeriba : pourvu que ça dure :P

J'ai reçu mon kit solaire hier avec les félicitations du facteur pour l'emballage soigné :D

Je n'ai pas résisté longtemps avant de l'installer après ma journée de télétravail :

IMG_20200520_115851110.jpg
IMG_20200520_115851110.jpg (126.99 Kio) Vu 22076 fois
Il est collé depuis hier soir avec du Sika 512, je n'arrive pas à trouver d'infos sur le temps de séchage, je pars demain, soit au bout de 36 heures, ça devrait aller.

Il produit pour l'instant une tension trop faible pour charger la batterie car il sèche sagement sous le préau mais tout est fonctionnel.

J'ai adapté un peu mon coffre à batterie pour accueillir le régulateur MPPT. Les câbles du panneau passent dans le faux plafond, c'est totalement invisible. :)

IMG_20200528_214108673.jpg
IMG_20200528_214108673.jpg (134.2 Kio) Vu 21906 fois
Modifié en dernier par maTTaw le ven. 29 mai 2020 09:44, modifié 1 fois.
Image
Avatar du membre
grego77
Messages : 596
Enregistré le : mer. 18 mai 2016 15:33
Modèle de caravane : Triton 96
prénom : Gregory
Localisation : Seine et marne
Contact :

Re: Installation d'une petite batterie (2017) Ajout panneau solaire (2020)

Message non lu par grego77 »

maTTaw a écrit : mer. 20 mai 2020 12:09 Bonjour,

@Vince41, tant mieux, ça me conforte dans mon choix :super:
@Landeriba : pourvu que ça dure :P

J'ai reçu mon kit solaire hier avec les félicitations du facteur pour l'emballage soigné :D

Je n'ai pas résisté longtemps avant de l'installer après ma journée de télétravail :


IMG_20200520_115851110.jpg

Il est collé depuis hier soir avec du Sika 512, je n'arrive pas à trouver d'infos sur le temps de séchage, je pars demain, soit au bout de 36 heures, ça devrait aller.

Il produit pour l'instant une tension trop faible pour charger la batterie car il sèche sagement sous le préau mais tout est fonctionnel.

J'ai adapté un peu mon coffre à batterie pour accueillir le régulateur MPPT. Les câbles du panneau passent dans le faux plafond, c'est totalement invisible. :)


IMG_20200520_113924785.jpg
Super installation, je me laisserai bien tenter!!
Par contre à quoi te sert le chargeur ctek?
Y aurait il moyen d'avoir un shéma de ton ionstallation?

Bravo
Avatar du membre
LANDERIBA
Messages : 20716
Enregistré le : sam. 1 nov. 2008 13:37
Modèle de caravane : Familia de 1992 + Defender 110 de 1998. Land 109 de 1972.
prénom : J-Pierre + Marie-Thé
Localisation : Centre Bretagne Pontivy Morbihan
Contact :

Re: Installation d'une petite batterie (2017) Ajout panneau solaire (2020)

Message non lu par LANDERIBA »

:hello:

Rondement mené !!! :super:
Par contre p'tet pas le bon choix pour le Sika 512 (C’est le mastic qu’il faudra pour les joints de fenêtres, lanterneaux, passe-toit, aérations permanentes etc.)!!! C'est un mastic d'étanchéité et non une colle comme le 552AT; voir
https://mon-fourgon-amenage.fr/isolatio ... che-solide

JP :happy1:
BZH : Bienvenue en Zone Humide Image
Vieillir, c'est la seule façon de vivre longtemps............
Avatar du membre
maTTaw
Messages : 371
Enregistré le : mar. 1 sept. 2015 21:51
Modèle de caravane : Touring Forever Young 310 (2009)
prénom : Mathieu
Localisation : Nantes
Contact :

Re: Installation d'une petite batterie (2017) Ajout panneau solaire (2020)

Message non lu par maTTaw »

Salut,

Le chargeur CTEK que j'avais déjà avant permet de recharger la batterie dès que je branche la caravane au réseau EDF.

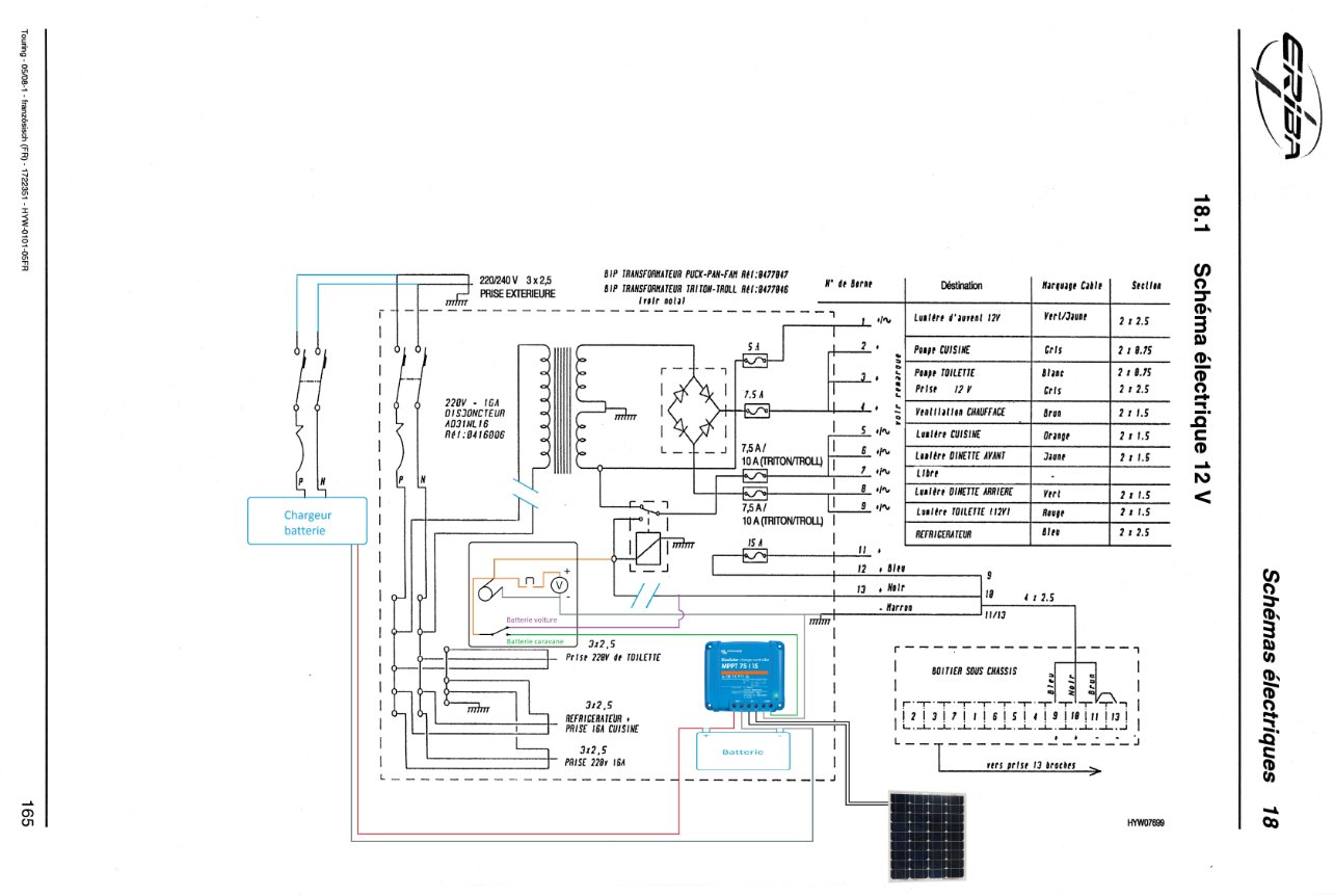
Pour le schéma, le voici :
Schema electrique 2.0.jpg
Image
Avatar du membre
maTTaw
Messages : 371
Enregistré le : mar. 1 sept. 2015 21:51
Modèle de caravane : Touring Forever Young 310 (2009)
prénom : Mathieu
Localisation : Nantes
Contact :

Re: Installation d'une petite batterie (2017) Ajout panneau solaire (2020)

Message non lu par maTTaw »

LANDERIBA a écrit : mer. 20 mai 2020 12:24 :hello:

Rondement mené !!! :super:
Par contre p'tet pas le bon choix pour le Sika 512 (C’est le mastic qu’il faudra pour les joints de fenêtres, lanterneaux, passe-toit, aérations permanentes etc.)!!! C'est un mastic d'étanchéité et non une colle comme le 552AT; voir
https://mon-fourgon-amenage.fr/isolatio ... che-solide

JP :happy1:
Hmmm, j'avais bien vu cette page en effet. Pourtant sur le site ou j'ai commandé le kit solaire, c'est le Sika 512 qui est proposé (comme sur un paquet d'autres sites) et que j'ai pris chez eux également : https://www.myshop-solaire.com/colle-si ... _2752.html

J'espère qu'il ne va pas s'envoler :/
Modifié en dernier par maTTaw le mer. 20 mai 2020 12:33, modifié 1 fois.
Image
Avatar du membre
LANDERIBA
Messages : 20716
Enregistré le : sam. 1 nov. 2008 13:37
Modèle de caravane : Familia de 1992 + Defender 110 de 1998. Land 109 de 1972.
prénom : J-Pierre + Marie-Thé
Localisation : Centre Bretagne Pontivy Morbihan
Contact :

Re: Installation d'une petite batterie (2017) Ajout panneau solaire (2020)

Message non lu par LANDERIBA »

:hello:

La prise de la colle (appelée polymérisation) est de 24 à 48h pour être totale.
J'en connais un qui c'est envolé, c'est celui de Boulhaya, avait-il été mal monté par le pro qui l'a installé (panneau fin souple collé sur le champignon) est-ce la colle qui n'était pas adaptée, mystère .......
Mais où est le tien il ne prend pas le vent derrière le champignon.

JP :happy1:
BZH : Bienvenue en Zone Humide Image
Vieillir, c'est la seule façon de vivre longtemps............
Avatar du membre
maTTaw
Messages : 371
Enregistré le : mar. 1 sept. 2015 21:51
Modèle de caravane : Touring Forever Young 310 (2009)
prénom : Mathieu
Localisation : Nantes
Contact :

Re: Installation d'une petite batterie (2017) Ajout panneau solaire (2020)

Message non lu par maTTaw »

Bon ben je vais stresser pendant mon voyage vers le Morbihan demain, j'ai l'habitude :hehe:
Image
Avatar du membre
eribabinbin
Messages : 11961
Enregistré le : jeu. 18 févr. 2010 00:07
Modèle de caravane : TROLL FEY AUDI AVANT 40 TDI mild-hybrid s-line
prénom : benjamin
Localisation : 15km de SANCERRE
Contact :

Re: Installation d'une petite batterie (2017) Ajout panneau solaire (2020)

Message non lu par eribabinbin »

J-Pierre excuse moi, vaut mieux prendre le Sika 221

https://fra.sika.com/content/france/mai ... --221.html

De plus insensible aux UV, mes pattes de Omnistore sont collées sur le champignon avec le 221 :super: .

Benjamin.
Avatar du membre
vince41
Messages : 587
Enregistré le : lun. 3 avr. 2017 22:17
Modèle de caravane : Jeep Wrangler TJ (98) et sa Puck de 1978 ;o) + Renegade DH
prénom : Vincent & Michèle
Localisation : Sologne (41)
Contact :

Re: Installation d'une petite batterie (2017) Ajout panneau solaire (2020)

Message non lu par vince41 »

Belle installation, lorsque ma Puck sera réparée je fixerai mon panneau sur le toit ... donc ave quel Sika !??

Petite question subsidiaire, pas de soucis pour laisser la partie solaire branchée lorsque l'on branche le chargeur sur le réseau 220 !????

Merci
Suite à un malencontreux incident de route, restauration complète de Miss Puck terminé en 2023 ;)

Image Vince, Jeeper-Eribiste
Avatar du membre
maTTaw
Messages : 371
Enregistré le : mar. 1 sept. 2015 21:51
Modèle de caravane : Touring Forever Young 310 (2009)
prénom : Mathieu
Localisation : Nantes
Contact :

Re: Installation d'une petite batterie (2017) Ajout panneau solaire (2020)

Message non lu par maTTaw »

Merci ;)

J'ai lu que la multiplication des chargeurs n'est pas un problème, ils s'activent en fonction de l'état de la batterie. Premier arrivé, premier servi.

Actuellement les 2 sont en route, le chargeur 230V est en train de recharger ma batterie avec le panneau solaire à l'ombre. Si il était au soleil, le régulateur solaire verrait que la batterie est déjà à 14,4V (tension bulk du chargeur 230V) et la charge solaire ne s'activerait donc pas :)
Image
Avatar du membre
grego77
Messages : 596
Enregistré le : mer. 18 mai 2016 15:33
Modèle de caravane : Triton 96
prénom : Gregory
Localisation : Seine et marne
Contact :

Re: Installation d'une petite batterie (2017) Ajout panneau solaire (2020)

Message non lu par grego77 »

vince41 a écrit : jeu. 14 mai 2020 11:27 SmartSolar, très bon choix ... j'ai le même ;)

Image
Bonjour Vince41, ton montage alimente en 12v la cellule via la prise 13 broches c'est ca, C'est quoi tout ces petits fusibles?..
Avatar du membre
vince41
Messages : 587
Enregistré le : lun. 3 avr. 2017 22:17
Modèle de caravane : Jeep Wrangler TJ (98) et sa Puck de 1978 ;o) + Renegade DH
prénom : Vincent & Michèle
Localisation : Sologne (41)
Contact :

Re: Installation d'une petite batterie (2017) Ajout panneau solaire (2020)

Message non lu par vince41 »

Oui, j’alimente via la prise 7 broches (et non 13) ... les anciennes Puck sont en 7 broches ;)

Bon alors :
- à gauche un disjoncteur 12V 20A (https://urlz.fr/cKd9
- porte fusibles quatre voies https://urlz.fr/cKd6

Fusibles :
-1 pour la prise 7 broches
-1 pour la prise allume cigare située à gauche (on la voit pas sur la photo)
- 2 disponibles

Dans l'immédiat le panneau solaire est volant ... mais il est prévu d'être installé sur l'arrière du toit mais il faut passer les câbles ... je vais en profité puisqu'elle est un peu, beaucoup démonté :rouge: :rouge:
Mais j'en garderais surement un volant ... car si ta cara est à l'ombre ... tu peux mettre le panneau au soleil ...
Suite à un malencontreux incident de route, restauration complète de Miss Puck terminé en 2023 ;)

Image Vince, Jeeper-Eribiste
Avatar du membre
maTTaw
Messages : 371
Enregistré le : mar. 1 sept. 2015 21:51
Modèle de caravane : Touring Forever Young 310 (2009)
prénom : Mathieu
Localisation : Nantes
Contact :

Re: Installation d'une petite batterie (2017) Ajout panneau solaire (2020)

Message non lu par maTTaw »

Bonjour,
Petit bilan du WE du côté de Marzan :

1. Le panneau ne s'est pas envolé/décollé :hehe:
2. Nous sommes rentré avec une batterie bien chargée :)
3. Petit bémol : une mise à jour depuis le smartphone a bloqué le régulateur le 1er jour :( Après avoir arrêté/redémarré l'appli sur mon téléphone, j'ai pu reprendre la mise à jour et rendre le système à nouveau opérationnel.

Bilan : j'ai eu un peu les boules qu'une simple mise à jour mette toute l'électricité en panne. Comme j'utilise la sortie LOAD pour mes consommateurs, si le régulateur n'est pas en route, pas d'électricité dans la caravane.

Je vais peut-être prévoir de pouvoir shunter le régulateur et alimenter mes ampoules avec la batterie en direct comme avant.

L'historique du WE, La batterie a suivi les 3 cycles de recharge chaque jour (Bulk, Absorption, Float) :
Screenshot_20200524-201443.png
Screenshot_20200524-201443.png (117.83 Kio) Vu 21966 fois
Image
Avatar du membre
pierredu13
Messages : 16
Enregistré le : lun. 21 déc. 2020 19:55
Modèle de caravane : Eriba 310GT
prénom : pierre
Localisation : Bouches du Rhône
Contact :

Re: Installation d'une petite batterie (2017) Ajout panneau solaire (2020)

Message non lu par pierredu13 »

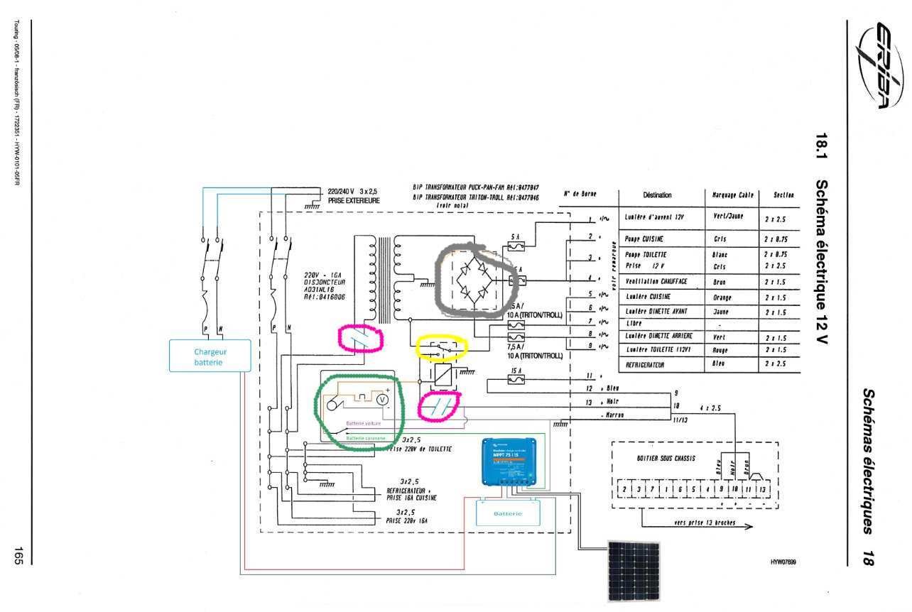
Bonjour à tous, nouveau sur le forum et désirant installer une batterie annexe pour gagner un peu d’autonomie avec éventuellement un panneau solaire, j’ai lu tous vos post et je m’emmêle un peu les pinceaux. Le schéma de maTTaw m’a beaucoup aidé mais il est déjà trop élaboré. MERCI à vous tous.
Dans un premier temps je voudrais installer la batterie 12v, 2 prises 12v et 2 prises usb tout en reliant le système 12v lumières et pompe de la caravane sans toucher au tableau électrique/transfo. (on verra plus tard pour le panneau solaire)

Par contre j’ai besoin d’éclaircissements, pardon si mes questions sont longues et ridicules…:

1) Qu’est que c’est que les zones entourées sur le schéma que je reposte et à quoi servent elles ?

2) Quelle batterie installer (éviter qu’elle ne coule, qu’elle soit trop chère, qu’elle ne se recharge plus après une période d’hivernage). Et quelle puissance pour suffisamment d’autonomie.
3) je vais opter pour brancher une prise femelle 13 broches à l’extérieur de la caravane est ce que je dois bien relier la batterie annexe à la borne 9 (+) et 13(-), je ne veux pas faire d’erreur ? (ou mettre le fusible ?)
4) si je branche le 220 alors que le circuit batterie 12v annexe est en service par erreur comment éviter une catastrophe ?
5) pour faire simple je pensais brancher un chargeur sur le 220 camping lorsque la batterie est vide est ce une bonne idée ?
6) dois je brancher le panneau 12v (https://www.amazon.fr/dp/B07D57ZQ8X/ref ... UTF8&psc=1) directement à la batterie ?
Merci beaucoup de votre aide.
Amitiés à tous
Pierre
Fichiers joints
schéma avec questions
schéma avec questions
Doucement mais surement disait la tortue !
Avatar du membre
Eribalin
Messages : 6104
Enregistré le : ven. 19 oct. 2012 13:30
Modèle de caravane : Troll 2012
prénom : CLAUDIA et ALAIN
Localisation : Le milieu du département de l'aisne.Soissons.
Contact :

Re: Installation d'une petite batterie (2017) Ajout panneau solaire (2020)

Message non lu par Eribalin »

Bonjour et bienvenue sur le forum !
Souvent, Pierre, on aime bien avoir une petite présentation quand on arrive. Merci.
A bientôt sur une rencontre Eriba! !
Erib@lin
Avatar du membre
LANDERIBA
Messages : 20716
Enregistré le : sam. 1 nov. 2008 13:37
Modèle de caravane : Familia de 1992 + Defender 110 de 1998. Land 109 de 1972.
prénom : J-Pierre + Marie-Thé
Localisation : Centre Bretagne Pontivy Morbihan
Contact :

Re: Installation d'une petite batterie (2017) Ajout panneau solaire (2020)

Message non lu par LANDERIBA »

:hello:

+1
Regarde là :
viewtopic.php?p=82755#p82755

JP :happy1:
BZH : Bienvenue en Zone Humide Image
Vieillir, c'est la seule façon de vivre longtemps............
Avatar du membre
maTTaw
Messages : 371
Enregistré le : mar. 1 sept. 2015 21:51
Modèle de caravane : Touring Forever Young 310 (2009)
prénom : Mathieu
Localisation : Nantes
Contact :

Re: Installation d'une petite batterie (2017) Ajout panneau solaire (2020)

Message non lu par maTTaw »

Bonjour Pierre,

Voici des réponses à tes questions :

1) Qu’est que c’est que les zones entourées sur le schéma que je reposte et à quoi servent elles ?

Il s'agit du transformateur de courant 230V AC -> 12V redressé qui se trouve d'origine dans le boitier électrique. C'est le système qui permet d'alimenter les lumières 12V et la pompe à eau 12V du robinet.

Il s'agit d'un relais qui permute le 12V qui alimente la caravane en fonction des différentes sources :
- si tu branches ta caravane au réseau EDF 230V, le relais bascule sur le 12V redressé créé par le transformateur décrit ci-dessus
- si tu branches ta prise 13 broches à une voiture qui dispose de 13 broches, le relais bascule sur le 12V de la batterie de ta voiture. C'est aussi comme ça qu'on branche nos batteries auxiliaires : en faisant croire à la caravane qu'elle est reliée à une voiture


J'ai symbolisé ici les éléments que j'ai débranché du circuit d'origine :
- Tout d'abord le transformateur 230V -> 12V redressé qui devient inutile quand on a une batterie. Même lorsque je suis relié au 230V, ma caravane est alimentée par ma batterie, elle même rechargée par un chargeur 230V. Le transformateur produit un courant redressé incompatible avec les appareils 12V qui contiennent de l'électronique (ampoules lEDs, chargeurs USB,...). C'est pourquoi il est référable d'utiliser systématiquement la batterie
- Le deuxième fil déconnecté est l'arrivée en 12V de la prise 13 broches. Je choisi via un interrupteur (dans le pavé vert) si j'alimente ma caravane avec le 12V qui vient de la prise 13 broches (ma voiture) ou ma batterie interne. Je préfère ce système à l'ajout d'une prise 13 broches femelle sur le timon


Il s'agit de mon tableau de commande qui contient un voltmètre, une prise USB et l'interrupteur qui permet de choisir l'alimentation 12V (batterie ou voiture)
IMG_20170329_184238798.jpg
2) Quelle batterie installer (éviter qu’elle ne coule, qu’elle soit trop chère, qu’elle ne se recharge plus après une période d’hivernage). Et quelle puissance pour suffisamment d’autonomie.

Tes divers critères ne sont pas compatibles entre eux :) J'ai fait le choix d'une batterie pas chère, c'est à dire batterie au plomb avec de l'acide. Ces batteries n'aiment pas les décharges profondes, se déchargent plus rapidement si elles ne sont pas utilisées. C'est OK pour moi car ma caravane est chez moi et le chargeur branché toute l'année. Si tu dois hiverner ta caravane sans pouvoir la brancher il faut choisir une batterie à décharge lente.

L'autonomie dépend surtout de ta conso. La mienne 45Ah tient 4 jours en "dépensant" 5Ah par jour (batterie basique, pas de décharge de plus de 50%). Ce n'est plus un problème avec le panneau solaire qui rend l'autonomie infinie s'il est dimensionné en fonction de ta conso. Pour nous c'est juste la lumière (leds), pompe à eau, ventilateur de frigo et recharge de 2 smartphones.

3) je vais opter pour brancher une prise femelle 13 broches à l’extérieur de la caravane est ce que je dois bien relier la batterie annexe à la borne 9 (+) et 13(-), je ne veux pas faire d’erreur ? (ou mettre le fusible ?)
Si tu fais référence aux numéros des prises 13 broches, oui c'est bien ça. Un fusible au plus près de la batterie sur la borne positive.

4) si je branche le 220 alors que le circuit batterie 12v annexe est en service par erreur comment éviter une catastrophe ?
Pas de risque grâce au relais que tu as entouré en jaune, c'est prévu d'origine

5) pour faire simple je pensais brancher un chargeur sur le 220 camping lorsque la batterie est vide est ce une bonne idée ?
J'ai fait de même, dès que tu branches au 230V, ça recharge sans que tu ais à t'en soucier.

6) dois je brancher le panneau 12v (https://www.amazon.fr/dp/B07D57ZQ8X/ref ... UTF8&psc=1) directement à la batterie ?

Tu peux si et seulement si c'est protégé par un fusible.
Image
Avatar du membre
pierredu13
Messages : 16
Enregistré le : lun. 21 déc. 2020 19:55
Modèle de caravane : Eriba 310GT
prénom : pierre
Localisation : Bouches du Rhône
Contact :

Re: Installation d'une petite batterie (2017) Ajout panneau solaire (2020)

Message non lu par pierredu13 »

Pardon pour la présentation !
Bientot à la retraite j'envisage le camping sauvage ou disons plus simplement un peu plus d'autonomie d’où mon questionnement pour la batterie supplémentaire, nous possédons une petite 310GT de 2006 qui convient parfaitement à nos besoins, tractée par une skoda roomster 105cv ça le fait pas mal.
je bricole correctement ... chez moi... mais là je vois que sur la caravane c'est pas simple, en tous cas pour moi ! d'autant plus que la cara est chez un ami ! Je dois tout apprendre.
J'ai tout de même installé les ventilos frigo branchés sur le 12v pour rafraichir le frigo, ça marche très bien ...
merci pour le lien, Landeriba ! je l'ai parcouru ce matin, j'ai bien aimé l'idée des verrins pour le lit, mais ce sera pour plus tard.
Quelqu'un peut il essayer de répondre à quelques unes de mes questions ?
je ne sais pas si le fait de se parler de vive voix peut se faire, peut etre que ça serait plus simple ? a voir, en tous cas merci pour les infos.
(PS, j'adore le land ! Il y a longtemps que j'aimerais en acheter un, mais... dans la vie il faut faire des choix !)
Amicalement
Pierre
Doucement mais surement disait la tortue !
Avatar du membre
pierredu13
Messages : 16
Enregistré le : lun. 21 déc. 2020 19:55
Modèle de caravane : Eriba 310GT
prénom : pierre
Localisation : Bouches du Rhône
Contact :

Re: Installation d'une petite batterie (2017) Ajout panneau solaire (2020)

Message non lu par pierredu13 »

maTTaw
Merciiiiiiiiiiiiiiiiii ! Tes explications sont limpides ! :amen: :amen:
Je vais étudier tout ça, c'est vraiment top !
Je vais bien avoir d'autres questions à poser !!!!!!!
En tous cas, Bon bout d'an comme on dit en provence !
et très bonnes fetes à tous !

la présentation, c'est ici ou sur mon profil général ???

En tous cas Merci je me sens moins seul!
Je vous tiens au courant, je vais m'y atteler en janvier

Amicalement

(PS tu m'as fait rire "tes critères pour la batterie sont incompatibles" :hehe: :hehe: :hehe:
Doucement mais surement disait la tortue !
Avatar du membre
maTTaw
Messages : 371
Enregistré le : mar. 1 sept. 2015 21:51
Modèle de caravane : Touring Forever Young 310 (2009)
prénom : Mathieu
Localisation : Nantes
Contact :

Re: Installation d'une petite batterie (2017) Ajout panneau solaire (2020)

Message non lu par maTTaw »

Et oui, on ne peut pas tout avoir :hehe:
Image
Avatar du membre
LANDERIBA
Messages : 20716
Enregistré le : sam. 1 nov. 2008 13:37
Modèle de caravane : Familia de 1992 + Defender 110 de 1998. Land 109 de 1972.
prénom : J-Pierre + Marie-Thé
Localisation : Centre Bretagne Pontivy Morbihan
Contact :

Re: Installation d'une petite batterie (2017) Ajout panneau solaire (2020)

Message non lu par LANDERIBA »

pierredu13 a écrit : mer. 23 déc. 2020 11:45

la présentation, c'est ici ou sur mon profil général ???

Amicalement
:hello:

C'est là :
viewtopic.php?p=181471#p181471

JP :happy1:
BZH : Bienvenue en Zone Humide Image
Vieillir, c'est la seule façon de vivre longtemps............
Avatar du membre
pierredu13
Messages : 16
Enregistré le : lun. 21 déc. 2020 19:55
Modèle de caravane : Eriba 310GT
prénom : pierre
Localisation : Bouches du Rhône
Contact :

Re: Installation d'une petite batterie (2017) Ajout panneau solaire (2020)

Message non lu par pierredu13 »

Merci pour votre accueil et votre patience ! bientot la photo de la plaque de la : eriba :
Doucement mais surement disait la tortue !
Avatar du membre
grego77
Messages : 596
Enregistré le : mer. 18 mai 2016 15:33
Modèle de caravane : Triton 96
prénom : Gregory
Localisation : Seine et marne
Contact :

Re: Installation d'une petite batterie (2017) Ajout panneau solaire (2020)

Message non lu par grego77 »

Salut a tous,

Je vous partage un petit fichier qui permet d'estimer ses besoins électrique. https://we.tl/t-d77pb4xD7Y
Souhaitant partir en autonomie l’été prochain, je souhaiterai connecter un panneau solaire à ma batterie gel 12V 36AH
Mon interrogation porte sur le choix du panneau, sachant que je voudrais un truc pas trop encombrant.
Au vu de mon tableau, j'aurais une conso/j d'environ 111Wh, je pense que ce sera moins vu les chiffres que j'ai rentré.
Cependant, j'ai peur qu'un panneau sous dimensionné ne puisse pas venir charger entièrement la batterie.
Pour ceux qui ont fait le choix du panneau, comment l'avez vous choisi? je pense partir sur un 55w

Merci pour vos retours expériences.
Avatar du membre
LANDERIBA
Messages : 20716
Enregistré le : sam. 1 nov. 2008 13:37
Modèle de caravane : Familia de 1992 + Defender 110 de 1998. Land 109 de 1972.
prénom : J-Pierre + Marie-Thé
Localisation : Centre Bretagne Pontivy Morbihan
Contact :

Re: Installation d'une petite batterie (2017) Ajout panneau solaire (2020)

Message non lu par LANDERIBA »

:hello:

J'ai une installation similaire (voir Landeriba dans ses œuvres) avec batterie AGM de moto 28Ah, et 2 panneaux de 10 W.
Alimentation des ventilo frigo, pompe évier, lumières LED et tube fluo tête de lit, ainsi que prise 12 v avec l'ampli TV.
viewtopic.php?p=82757#p82757

JP :happy1:
BZH : Bienvenue en Zone Humide Image
Vieillir, c'est la seule façon de vivre longtemps............
Avatar du membre
Les Comtois
Messages : 6637
Enregistré le : lun. 8 nov. 2010 23:29
Modèle de caravane : Pontos 2009, Superpuck 98, skoda karoq scout 2.0l tdi 190cv
prénom : Jean-Paul, Martine
Localisation : 25
Contact :

Re: Installation d'une petite batterie (2017) Ajout panneau solaire (2020)

Message non lu par Les Comtois »

Sur la Superpuck, une batterie gel 50Ah et un panneau 50W. En autonomie, frigo gaz et pompe à eau, télé, recharge téléphone, éclairage tout led avec la batterie. Sans soucis :)
Jean-Paul

Où flotte le drapeau comtois, qui que tu sois, tu es chez toi.
Image
Avatar du membre
grego77
Messages : 596
Enregistré le : mer. 18 mai 2016 15:33
Modèle de caravane : Triton 96
prénom : Gregory
Localisation : Seine et marne
Contact :

Re: Installation d'une petite batterie (2017) Ajout panneau solaire (2020)

Message non lu par grego77 »

Les Comtois a écrit : dim. 3 janv. 2021 14:11 Sur la Superpuck, une batterie gel 50Ah et un panneau 50 w. En autonomie, frigo gaz et pompe à eau, télé, recharge téléphone, éclairage tout LED avec la batterie. Sans soucis :)
Je devrais avoir la même chose, sauf que ma batterie fait que 36Ah. Mais bon ça devrait le faire.
Je pars sur panneau monocristallin et régulateur MPPT.
Et question con, mais parmi vous, avez vous des femmes qui ont absolument besoin d'un sèche cheveux??? alors, exit ceux de 3000w, mais un sèche cheveux en 12V une fois par semaine, ça le ferait ?
Avatar du membre
LANDERIBA
Messages : 20716
Enregistré le : sam. 1 nov. 2008 13:37
Modèle de caravane : Familia de 1992 + Defender 110 de 1998. Land 109 de 1972.
prénom : J-Pierre + Marie-Thé
Localisation : Centre Bretagne Pontivy Morbihan
Contact :

Re: Installation d'une petite batterie (2017) Ajout panneau solaire (2020)

Message non lu par LANDERIBA »

Change de femme !!!!
:sivousme: très loiinnn
BZH : Bienvenue en Zone Humide Image
Vieillir, c'est la seule façon de vivre longtemps............
Avatar du membre
eribabinbin
Messages : 11961
Enregistré le : jeu. 18 févr. 2010 00:07
Modèle de caravane : TROLL FEY AUDI AVANT 40 TDI mild-hybrid s-line
prénom : benjamin
Localisation : 15km de SANCERRE
Contact :

Re: Installation d'une petite batterie (2017) Ajout panneau solaire (2020)

Message non lu par eribabinbin »

LANDERIBA a écrit : dim. 3 janv. 2021 14:37 Change de femme !!!!
:sivousme: très loiinnn
Ou va en Bretagne, air venteux garanti , ça décoiffe :ange: :taistoi:

Benjamin.
Avatar du membre
grego77
Messages : 596
Enregistré le : mer. 18 mai 2016 15:33
Modèle de caravane : Triton 96
prénom : Gregory
Localisation : Seine et marne
Contact :

Re: Installation d'une petite batterie (2017) Ajout panneau solaire (2020)

Message non lu par grego77 »

LANDERIBA a écrit : dim. 3 janv. 2021 14:37 Change de femme !!!!
:sivousme: très loiinnn
Tu sors!!!! :hehe:
Avatar du membre
maTTaw
Messages : 371
Enregistré le : mar. 1 sept. 2015 21:51
Modèle de caravane : Touring Forever Young 310 (2009)
prénom : Mathieu
Localisation : Nantes
Contact :

Re: Installation d'une petite batterie (2017) Ajout panneau solaire (2020)

Message non lu par maTTaw »

grego77 a écrit : dim. 3 janv. 2021 14:18 Et question con, mais parmi vous, avez vous des femmes qui ont absolument besoin d'un sèche cheveux??? alors, exit ceux de 3000w, mais un sèche cheveux en 12V une fois par semaine, ça le ferait ?
Salut,

Nous n'utilisons pas de sèche-cheveux 12V mais j'ai regardé les caractéristiques par curiosité. Ils ont l'air un peu tous identiques avec une puissance de 220W environ. C'est à la fois trop peu puissant pour sécher des cheveux mais suffisamment pour vider une batterie rapidement :)

En d'autres termes, sèche-cheveux et petite batterie ne sont pas compatibles, oublie ;)
Image
Avatar du membre
Les Comtois
Messages : 6637
Enregistré le : lun. 8 nov. 2010 23:29
Modèle de caravane : Pontos 2009, Superpuck 98, skoda karoq scout 2.0l tdi 190cv
prénom : Jean-Paul, Martine
Localisation : 25
Contact :

Re: Installation d'une petite batterie (2017) Ajout panneau solaire (2020)

Message non lu par Les Comtois »

Pour le sèche-cheveux je te conseille le dégivreur de pare-brise qui se branche sur la prise 12V de la voiture.... Moteur en marche ;-) ;-) ;-) ;-)
Jean-Paul

Où flotte le drapeau comtois, qui que tu sois, tu es chez toi.
Image
Avatar du membre
grego77
Messages : 596
Enregistré le : mer. 18 mai 2016 15:33
Modèle de caravane : Triton 96
prénom : Gregory
Localisation : Seine et marne
Contact :

Re: Installation d'une petite batterie (2017) Ajout panneau solaire (2020)

Message non lu par grego77 »

maTTaw a écrit : lun. 4 janv. 2021 16:28
grego77 a écrit : dim. 3 janv. 2021 14:18 Et question con, mais parmi vous, avez vous des femmes qui ont absolument besoin d'un sèche cheveux??? alors, exit ceux de 3000w, mais un sèche cheveux en 12V une fois par semaine, ça le ferait ?
Salut,

Nous n'utilisons pas de sèche-cheveux 12V mais j'ai regardé les caractéristiques par curiosité. Ils ont l'air un peu tous identiques avec une puissance de 220W environ. C'est à la fois trop peu puissant pour sécher des cheveux mais suffisamment pour vider une batterie rapidement :)

En d'autres termes, sèche-cheveux et petite batterie ne sont pas compatibles, oublie ;)
Merci pour ce retour constructif, cela confirme mes pensées...
Avatar du membre
pierredu13
Messages : 16
Enregistré le : lun. 21 déc. 2020 19:55
Modèle de caravane : Eriba 310GT
prénom : pierre
Localisation : Bouches du Rhône
Contact :

Re: Installation d'une petite batterie (2017) Ajout panneau solaire (2020)

Message non lu par pierredu13 »

Bonsoir à tous, vous parlez d'un fusible à la sortie de la batterie qui est reliée aux panneaux, pouvez vous préciser quel ampérage ainsi que le diamètre des cables en question ?
Merci beaucoup
Pierre
Doucement mais surement disait la tortue !
Avatar du membre
LANDERIBA
Messages : 20716
Enregistré le : sam. 1 nov. 2008 13:37
Modèle de caravane : Familia de 1992 + Defender 110 de 1998. Land 109 de 1972.
prénom : J-Pierre + Marie-Thé
Localisation : Centre Bretagne Pontivy Morbihan
Contact :

Re: Installation d'une petite batterie (2017) Ajout panneau solaire (2020)

Message non lu par LANDERIBA »

:hello:

Ça se calcule en fonction de ce que tu vas "tirer" comme ampérage. Il faut faire le total de ce qui peut être utilisé simultanément en Watt ou Amp.
JP :happy1:
BZH : Bienvenue en Zone Humide Image
Vieillir, c'est la seule façon de vivre longtemps............
Avatar du membre
pierredu13
Messages : 16
Enregistré le : lun. 21 déc. 2020 19:55
Modèle de caravane : Eriba 310GT
prénom : pierre
Localisation : Bouches du Rhône
Contact :

Re: Installation d'une petite batterie (2017) Ajout panneau solaire (2020)

Message non lu par pierredu13 »

Merci beaucoup :amen: ! j'avance doucement mais surement, j'ai prévu d'acheter d'occasion un panneau 100w polycristallin , un regulateur victron 15a (non bluetooth) et un convertisseur 12v/220v Elektron 300watt.
je pense prendre une batterie AGM autour de 60a.
que pensez vous de cette configuration ? :roll:

est ce que quelqu'un pourrait m'indiquer les formules pour calculer la taille du fusible en fonction des watt consommés ?
la taille des fils allant du panneau à la batterie ?
La taille des fils allant de la batterie au réseau 12v de la : eriba : (et qui portera le fusible)

Merci beaucoup de votre aide
Amicalement
Pierre
Doucement mais surement disait la tortue !
Avatar du membre
LANDERIBA
Messages : 20716
Enregistré le : sam. 1 nov. 2008 13:37
Modèle de caravane : Familia de 1992 + Defender 110 de 1998. Land 109 de 1972.
prénom : J-Pierre + Marie-Thé
Localisation : Centre Bretagne Pontivy Morbihan
Contact :

Re: Installation d'une petite batterie (2017) Ajout panneau solaire (2020)

Message non lu par LANDERIBA »

LANDERIBA a écrit : ven. 5 févr. 2021 09:32 :hello:

Ça se calcule en fonction de ce que tu vas "tirer" comme ampérage. Il faut faire le total de ce qui peut être utilisé simultanément en Watt ou Amp.
JP :happy1:
Avec ce renseignement il est possible de te donner un avIs.
pierredu13 a écrit : mar. 9 févr. 2021 12:05
Est ce que quelqu'un pourrait m'indiquer les formules pour calculer la taille du fusible en fonction des watt consommés ?
La taille des fils allant du panneau à la batterie ?
La taille des fils allant de la batterie au réseau 12v de la : eriba : (et qui portera le fusible)
Pierre
La section des fils dépendent de la puissance consommée ET de la longueur entre l'appareil et la source d'énergie, et compter la longueur X par 2, aller retour (+&-) si t'as 4 m entre le capteur et la batterie il faut compter 8 m !!!

JP
BZH : Bienvenue en Zone Humide Image
Vieillir, c'est la seule façon de vivre longtemps............
Avatar du membre
Les Comtois
Messages : 6637
Enregistré le : lun. 8 nov. 2010 23:29
Modèle de caravane : Pontos 2009, Superpuck 98, skoda karoq scout 2.0l tdi 190cv
prénom : Jean-Paul, Martine
Localisation : 25
Contact :

Re: Installation d'une petite batterie (2017) Ajout panneau solaire (2020)

Message non lu par Les Comtois »

Pour le polycristallin, tu oublies. Tu ne trouveras pratiquement pas de monocristallin d'occasion. Pourquoi ? Parce qu'il donne de l'électricité même par temps couvert. Et tu peux trouver du mono 50, 80, voir 100w à des prix très corrects. Google est ton ami comme dit : Vieux : Marcel ;-)
Jean-Paul

Où flotte le drapeau comtois, qui que tu sois, tu es chez toi.
Image
Avatar du membre
pierredu13
Messages : 16
Enregistré le : lun. 21 déc. 2020 19:55
Modèle de caravane : Eriba 310GT
prénom : pierre
Localisation : Bouches du Rhône
Contact :

Re: Installation d'une petite batterie (2017) Ajout panneau solaire (2020)

Message non lu par pierredu13 »

Bonjour à tous,
pouvez vous me dire si mes calculs sont bons s'il vous plait,

Je vais placer une prise femelle sur le timon reliée à une batterie annexe pour y brancher le faisceau de la caravane et alimenter :
8 led de 1.5w > 12w
la pompe à eau > 15w
3 ventilos d'ordi pour refroidir le frigo 6w
2 chargeurs de tel 10w
1 chargeur d'ordi.60w
soit au total : 103w, pour une marge de sécurité, arrondissons à 120w si l'on utilise tout en meme temps (ce qui est impossible)
120w/12v = 10a

Je pense utiliser un câble en 2.5mm souple (longueur 3mX2=6m) pour relier ma nouvelle prise timon borne 9 à la batterie annexe ce fil porterait un fusible de 15 Ampères.
et j'utiliserai aussi un fil en 2.5 aussi pour la masse.
* Est ce que ces calculs semblent corrects ?

* D'autre part, connaissez vous la section des fils dans le faisceau de la caravane (habituellement relié à la voiture 13broches), les fils ont une certaine section, j'ai démonté et vu qu'ils ne sont pas tous de la même section mais je ne sais pas dire la taille des fils.
Est-ce que je ne dois pas utiliser la même section dans mon nouveau branchement prise timon ???

Merci de votre aide et pardon si ma demande parait stupide à certains...
Doucement mais surement disait la tortue !
Avatar du membre
LANDERIBA
Messages : 20716
Enregistré le : sam. 1 nov. 2008 13:37
Modèle de caravane : Familia de 1992 + Defender 110 de 1998. Land 109 de 1972.
prénom : J-Pierre + Marie-Thé
Localisation : Centre Bretagne Pontivy Morbihan
Contact :

Re: Installation d'une petite batterie (2017) Ajout panneau solaire (2020)

Message non lu par LANDERIBA »

:hello:

Le faisceau de la : eriba : en 13 fils sont en section 1.5² et 2.5²
Ce sont ces derniers qu'il te faut utiliser pour brancher ta prise, c'est ce que j'ai fait voir "Landeriba dans ses œuvres".
viewtopic.php?p=91699#p91699
La section varie selon la longueur des conducteurs
Section fils.jpg
Ça devrait le faire en 2.5² car tu ne tireras jamais 10 amp, par contre si tu le fais une batterie de 30 Ah ne pourra être utilisée que 1 heure en batterie avec liquide (30% maxi de décharge) ou 1.5 heure en AGM (50% maxi de décharge).

JP :happy1:
BZH : Bienvenue en Zone Humide Image
Vieillir, c'est la seule façon de vivre longtemps............
Avatar du membre
pierredu13
Messages : 16
Enregistré le : lun. 21 déc. 2020 19:55
Modèle de caravane : Eriba 310GT
prénom : pierre
Localisation : Bouches du Rhône
Contact :

Re: Installation d'une petite batterie (2017) Ajout panneau solaire (2020)

Message non lu par pierredu13 »

Oui merci pour ta réponse, je pense passer avec une batterie 110Ah !
Petit à petit j'avance, mais c'est compliqué car la caravane est loin de chez moi, alors chaque fois que j'y vais, j'avance un peu ! Merci de votre aide à tous.
Pierre
Doucement mais surement disait la tortue !
Avatar du membre
grego77
Messages : 596
Enregistré le : mer. 18 mai 2016 15:33
Modèle de caravane : Triton 96
prénom : Gregory
Localisation : Seine et marne
Contact :

Re: Installation d'une petite batterie (2017) Ajout panneau solaire (2020)

Message non lu par grego77 »

Petit partage de mon installation ! Votre aide a été la bienvenue!

Édité : photos redressées......
56E7CF24-EA29-4D5E-811F-F2055D017BAA.jpeg
56E7CF24-EA29-4D5E-811F-F2055D017BAA.jpeg (192.01 Kio) Vu 18421 fois
43328D31-F961-4291-BCC8-585462211E5E.jpeg
43328D31-F961-4291-BCC8-585462211E5E.jpeg (226.47 Kio) Vu 18421 fois
1727D54B-DB24-46A3-B7A2-FF1B415329E7.jpeg
1727D54B-DB24-46A3-B7A2-FF1B415329E7.jpeg (213.29 Kio) Vu 18421 fois
Avatar du membre
Les Comtois
Messages : 6637
Enregistré le : lun. 8 nov. 2010 23:29
Modèle de caravane : Pontos 2009, Superpuck 98, skoda karoq scout 2.0l tdi 190cv
prénom : Jean-Paul, Martine
Localisation : 25
Contact :

Re: Installation d'une petite batterie (2017) Ajout panneau solaire (2020)

Message non lu par Les Comtois »

C'est la caravane à Pesquet. Prête pour le décollage en direction de la station spatiale :mdr2: :mdr2:
Jean-Paul

Où flotte le drapeau comtois, qui que tu sois, tu es chez toi.
Image
Répondre

Retourner vers « Electricité & Electronique »

Qui est en ligne

Utilisateurs parcourant ce forum : Aucun utilisateur enregistré et 0 invité